ParaSol Awnings is the outdoor awnings and shade module from Aeronaut's ParaSol suite of programs. Used by hundreds of blind makers, ParaSol has had over 25 years of development with their industry focussed suggestions. It's the most fully featured and easy to use software for outdoor shades.
ParaSol Awnings is the answer to rapid patterning. Folding arm awnings, shades, café curtains, ziptrack screens and almost any product which is made from vertically seamed or joined pieces of fabric can be designed.
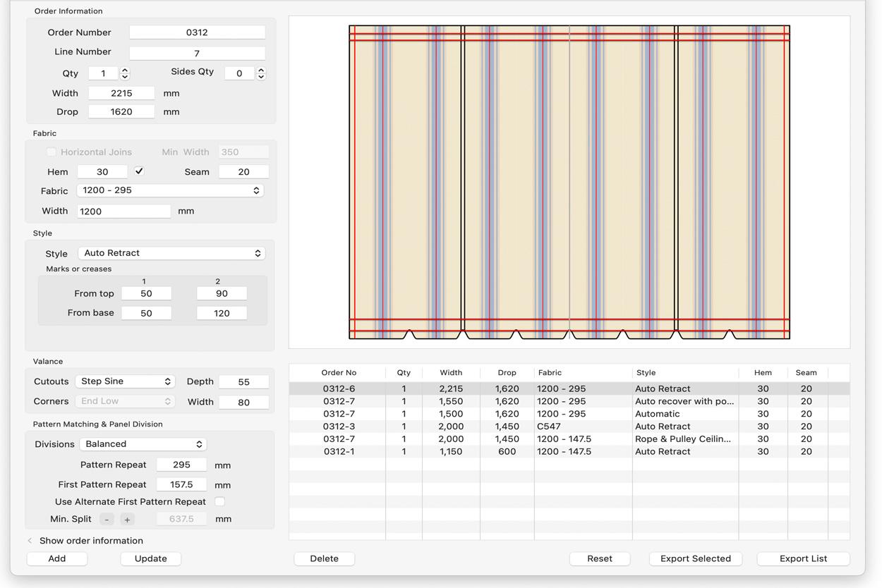
ParaSol Awnings makes vertical seam position and fabric widths easy. Plain or striped fabric patterns are generated in seconds with a minimum of input whether you're looking for appearance or economical use of fabric.
ParaSol awnings handles a wide range of design types. From the modern to the traditional with many included variations for regional requirements in awning design.
Automatic Data Entry (ADE). ParaSol can be run manually or using ADE, a list of orders exported from your order management software, is processed automatically in the background and sent to Tangent, which automatically puts them on the right fabric with the correct cutter settings, ready to be cut. There's not much more for an operator to do other than press the cut button.
ParaSol works the way you do. You can enter one order at a time, or all the orders you have on hand… export and nest them to calculate the fabric requirements.
Orders can be exported one by one or as a list with multiple fabrics where Tangent will sort the patterns into fabric queues.
If someone has already entered the essential data - width, drop, design, fabric etc. you don't want to enter it again manually. With Automatic Data Entry (ADE) the process of developing a pattern is fully automatic.
An order list sent from your factory management software will be opened by ParaSol to generate an entire list of designs ready to export to Tangent and cut.
ParaSol Awnings can produce patterns in an instant for almost all exterior shade products… Folding arm awnings, shades, café curtains, ziptrack screens and almost any product which is made from vertically seamed or joined pieces of fabric can be designed.
ParaSol Awnings makes a consistent product all the time with maximum productivity and profitability.
The mechanical fixing methods, width deductions, seam allowances etc. are all saved in ParaSol's style database. Selecting a style automatically makes all the necessary changes to the measured size to produce reliably consistent patterns across your whole product range. Styles can be easy overridden in ParaSol for special orders.
ParaSol has a fabric database which can be edited directly in ParaSol or imported as a CSV file from your order management system. Fabric widths, fabric orientation rules, stripe widths and positions, creasing or marking, cut speed and pressure… all these details are saved in with the fabric so selecting one, sets everything right down to when it's cut.
ParaSol has seen a lot of fashions come and go in outdoor shade products over the years. There's always a customer wanting something different, even if it's what they bought 30 years ago.
WIth ParaSol's design file database, there's no need have sales people scratching their heads about anything, old or new, because ParaSol can do them both with ease.
Get the facts from the factory direct. If you want advice on automated cutting, an offer on a complete cutting system or to arrange a demonstration, just ask!
Aeronaut Automation
4-6 Tepko Road,
Terrey Hills,
New South Wales 2084
Australia.
Hours: 8:00 - 17:00 Australian Eastern Standard Time
Tel: +612 9450 0800
Sales: Sales@Aeronaut.org
Admin: Admin@Aeronaut.org
Support: Support@Aeronaut.org
Tech: Tech@Aeronaut.org












